Ashton Green - ALRM8

$216.00
In stock
SKU
AG-ALRM8
QTY
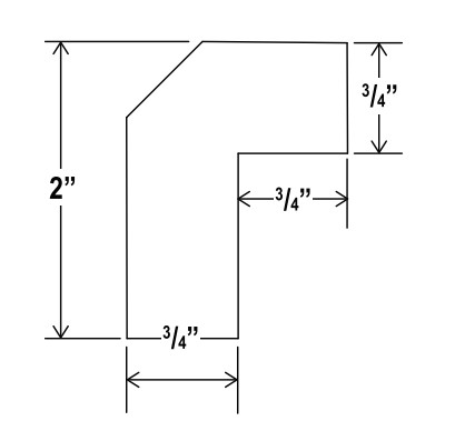
Ashton Green - Angle Light Trail Molding - 96'W X 1 9/16"H X 2 1/4"D